
PC-6001用の周辺機器、「ROM/RAMカートリッジ PC-6006」です。
RAMの増設と、DIPタイプのROM(UVEPROMなど)を挿せるという2つの機能を搭載しています。
私自身はPC-6001mkIIで育ったので、このPC-6006にお世話になったことがありません(PC-6001mkIIは最初からRAMが増設されている)。
ICソケットには容量4KBのROMを2個追加できます。なぜ4KBなのか? なぜ2個なのか? っていうのが謎ですが、当時のROMって4KBが主流だったのでしょうか。

PC-6006は、PC-6001で「OLION」とか「タイニーゼビウス」を遊ぶ時の必需品とのこと。PC-6001で4色グラフィック(ページ2)を使おうすると、RAMがほとんどなくなってしまうので、増設は必須となるわけです。
しかし、RAMの増設で、1つしかないスロットが埋まってしまうのは、かなり問題だと思います。

PC-6006を装着した場合のメモリマップ(PAGE 2)です。元々のRAMが16KBで、それに16KBを追加して32KBになります。mkII起動時のメニューの「2:N60 BASIC (RAM-32K)」に相当します。

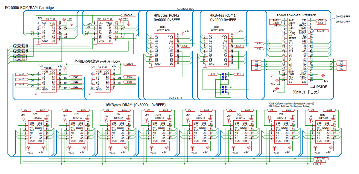
私自身、PC-6006についての理解が足りてなかったので、分解してみました。

解析して、回路図に書き起こしてみました。おそらく、どこかに間違いがあるはず。
間違いがあったら直します。
昔は普通だったのかもしれませんが、DRAMの使い勝手が悪すぎです。-5V、+5V、+12Vを供給しないと動きません。一度に1bitしか読み書きできないので、8個並べる必要があります。DINとDOUTで端子が2つに分かれてます。DOUTとDINが衝突しないようにするために74LS367を2個使ってます。あと、DRAMの仕様でもありますが、アドレスはA0~A6(Row)とA7~A13(Column)で 2回に分けて送信しています。このアドレスを分割する処理に74LS157を2個使ってます。
結果として、非常にゴテゴテの回路になってます。今だったらSRAM 1個で済みますね。実際のところ、ROMを挿して使う人はほとんど居なかったと思うので、RAM機能だけバージョンのカートリッジを発売すれば良かった気がします。
仕組みが理解できたので、次回からはRAMカートリッジも自作できると思います。